Vpiši besede in poišči vsebino eg:
fuse,arrestor,00110115 technical...
Zadnja iskanja
Tehnična podpora
This email address is being protected from spambots. You need JavaScript enabled to view it.

Pomožni kontakti PS LAS D 004667500

Specifikacija

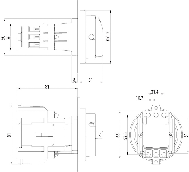
Koda izdelka:
004667500
Opis:
PS LAS D
Ime razreda:
Pomožni kontakti
Funkcija:
Auxiliary contact
Tip:
Aux.contacts
Za uporabo z:
LAS 16 D - LAS 63 D

Dokumenti

Produkt

Teža izdelka
0.14  kg
Carinska tarifa
85365080  

Transportno pakiranje

Količina
1  
EAN
3838400113344  
Teža
1.4  kg
Odpremna količina
10000  

Slike in diagrami

Vaša košarica je prazna.