Vpiši besede in poišči vsebino eg:
fuse,arrestor,00110115 technical...
Zadnja iskanja
Tehnična podpora
This email address is being protected from spambots. You need JavaScript enabled to view it.

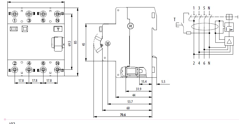
Zaš. stikalo na diferenčni tok EFI-P4R B G/KV 125/0.03 002061906

Specifikacija

Koda izdelka:
002061906
Opis:
EFI-P4R B G/KV 125/0.03
Ime razreda:
Zaš. stikalo na diferenčni tok
Nazivni diferenčni tok (A):
3A
residual_current_type:
B
Nazivni tok (A):
125A
Število polov:
4
Nazivni pogojni kratkostični tok Inc (kA):
10kA
Čas izklopa:
G/KV (Kratkotrajna zakasnitev)
Nazivna enosmerna napetost (V):
400V
Nazivna AC napetost (V):
400V
Nazivna frekvenca (Hz):
50Hz/60Hz
Nazivni presek:
1mm²-50mm²
Standardi:
IEC/EN 61008-1
IP zaščita:
IP20
Način montaže:
TH 35
Globina (mm):
71mm

Dokumenti

Produkt

Teža izdelka
0.35  kg
Carinska tarifa
85362090  
logis_net_width
70  mm
logis_net_height
85  mm
logis_net_depth
69  mm

Osnovno pakiranje

Količina
1  
EAN
3838895928881  
Teža
0.38  kg

Transportno pakiranje

Količina
27  
EAN
3838895928898  
Teža
10.56  kg
Odpremna količina
1404  
Klasifikacija
EC000003
Ime razreda
Residual current circuit breaker (RCCB)
Number of poles
4
Rated voltage
400V
Rated current
125A
Rated fault current
30mA
Rated insulation voltage Ui
500V
Rated impulse withstand voltage Uimp
4kV
Mounting method
DIN rail
Leakage current type
AC
Selective protection
Ne
Short-time delayed tripping
Da
Short-circuit breaking capacity (Icw)
10kA
Surge current capacity
3kA
Frequency
50/60 Hz
Additional equipment possible
Da
With interlocking device
Ne
Degree of protection (IP)
IP20
Width in number of modular spacings
4
Built-in depth
71mm
Ambient temperature during operating
-25…40°C
Pollution degree
2
Connectable conductor cross section multi-wired
1…50mm²
Connectable conductor cross section solid-core
1…50mm²
ETIM klasifikacija – Verzija 7.0

Slike in diagrami

Programska oprema

Software is provided as is without any guarantees or warranty. The author is under no obligation to provide support, service, corrections, or upgrades to the free software programs or drivers.

Pripomočki 9

>
>
0
Vaša košarica je prazna.