Vpiši besede in poišči vsebino eg:
fuse,arrestor,00110115 technical...
Zadnja iskanja
Tehnična podpora
This email address is being protected from spambots. You need JavaScript enabled to view it.

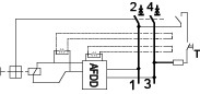
Požarno zaščitno stikalo KZS-AFDD 3M2p A C15/0.03 002173879

Specifikacija

Koda izdelka:
002173879
Opis:
KZS-AFDD 3M2p A C15/0.03
Ime razreda:
Požarno zaščitno stikalo
Nazivni tok (A):
15A
residual_current_type:
A
Nazivni diferenčni tok (A):
3A
Izklopna karakteristika:
C
Število polov:
2
Nazivna kratkostična zmogljivost (kA):
10kA
Nazivni presek:
1mm²-25mm²
Standardi:
IEC/EN 61009

Dokumenti

Produkt

Teža izdelka
377  g
Carinska tarifa
85362010  
logis_net_width
54  mm
logis_net_height
89  mm
logis_net_depth
73  mm
logis_th35_depth
69  mm

Osnovno pakiranje

Količina
1  
EAN
3838895869399  
Teža
0.4  kg

Transportno pakiranje

Količina
33  
EAN
3838895869412  
Teža
13.55  kg
Odpremna količina
1716  
Klasifikacija
EC000905
Ime razreda
Earth leakage circuit breaker
Number of poles (total)
2
Number of protected poles
2
Rated voltage
230V
Rated insulation voltage Ui
400V
Rated impulse withstand voltage Uimp
4kV
Rated current
15A
Rated fault current
0,03A
Leakage current type
A
Current limiting class
3
Rated short-circuit breaking capacity according to EN 61009
10kA
Rated short-circuit breaking capacity according to IEC 60947-2
10kA
Rated short-circuit breaking capacity Icn according to EN 61009-1
10kA
Disconnection characteristic
Undelayed
Surge current capacity
0,25kA
Voltage type
AC
Frequency
50 Hz
Release characteristic
C
Concurrently switching neutral conductor
Da
With interlocking device
Ne
Over voltage category
3
Pollution degree
2
Ambient temperature during operating
-25…40°C
Width in number of modular spacings
3
Built-in depth
69mm
Anti-nuisance tripping version
Ne
Degree of protection (IP)
IP20
Connectable conductor cross section solid-core
1…25mm²
Connectable conductor cross section multi-wired
1…25mm²
ETIM klasifikacija – Verzija 7.0

Slike in diagrami

Programska oprema

Software is provided as is without any guarantees or warranty. The author is under no obligation to provide support, service, corrections, or upgrades to the free software programs or drivers.

Tehnični video

Vaša košarica je prazna.